ANDON 高温200℃封闭框架ICDIP插座,带支架

发布时间:2021-07-05 17:09:38     浏览:2268

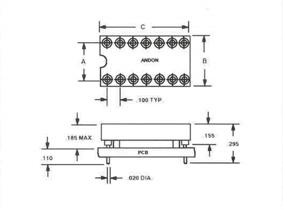
ANDON的高温200 DIP插座选用绝缘质料举行集成和模压,以完成非常佳的机械安全性。这些插座配有模压支架,以完成非常大的焊接可视性。特色包含:非常大的绝缘笼盖局限,以防备在高打击和振动环境短路。一个易于装备插入的引入倒角,一个关闭的底部,以防备焊料芯吸进入触碰地区,以及用于精确安置在PCB

ANDON的高温200 DIP插座上的刚性端子是阻燃剂,可处分高达250℃的温度,并由高温邻苯二甲酸二烯丙酯perMIL-M-14GSDG-F制作完成

ANDON.png

特殊功能和好处:

双列直插式插座,用于低剖面、高密度包装。

插座接管圆形或扁平引线的封装。

插座一端的切口,用于分度定位

模压刚性焊接端子在安置到PC板上时不会蜿蜒

端子/触点组件-与绝缘质料集成和模制,以完成非常佳的机械安全性。为焊接可视性供应模压支架。

非常大的绝缘笼盖,以防备在高打击和振动环境短路。

引入倒角,便于插入装备

关闭的底部防备焊料芯进入触碰地区。

高温邻苯二甲酸二烯丙酯/MIL-M-14GSDG-F型,阻燃剂,温度局限高达250℃。

ANDON为全世界客户提供了高性能电源插座产品,如CCD、光电、传感器、电池等项目。产品广泛运用于研发设计、军事及高温环境工程。深圳市利来国国际网站创展科技有限公司,授权代理销售ANDON产品,欢迎咨询。

详情了解ANDON请点击:/brand/76.html

或联系我们的销售工程师:0755-83642657   QQ: 2295048674

推荐资讯

  • Hypertronics分立式滤波器
    Hypertronics分立式滤波器 2021-06-02 17:12:46

    Hypertronics?分立式滤波器设计小型离散模块滤波器,在需要小尺寸的应用中提供最佳性能。每种设计的电机要求都是由计算机生成,考虑到可实现的“Q”和环境条件,然后由公司独有的软件进行分析,以减少测试量和纠错情况。

  • ANDON SMD鸥翼式和J引线DIP插座
    ANDON SMD鸥翼式和J引线DIP插座 2021-03-19 16:55:17

    ANDON?表面安装鸥翼和“J”铅浸插座是理想化的选取和场所。ANDON的鸥翼插座提供最大强度的焊点,便于在线测试系统。ANDON鸥风DIP插座有多种多样配置,包含开放式和实心框架结构式。ANDON“J”铅浸插座是专业设计适用于电焊焊接现阶段的脚印。ANDON鸥翼式和“J”型引线DIP插座配备模压塑料UL94V-O或蓝色FR-4环氧树脂制作而成的绝缘体,适用于IR或对流电焊焊接。所有的插座都有High-Rel4指插座接触点。

在线留言

在线留言