MTI-milliren403系列TCXO温补晶振

发布时间:2024-02-15 11:41:49     浏览:2005

  MTI-milliren403系列TCXO温补晶振特征:

  符合 RoHS 标准、真正弦波、削波正弦波或 HCMOS/TTL 兼容方波输出

  用于电气频率调节的电压控制选项

  ASIC电路、无微调、回流焊的高可靠性

  低相位噪声、免微调、回流焊

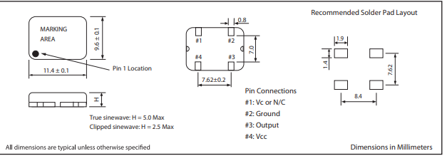
MTI-milliren403系列TCXO温补晶振

规范
参数可用范围
频率范围1.25 MHz 至 40 MHz


电源电压 (Vcc)5 V ± 5%;3.3 V ±5%;
输入电流最大 30 mA (HCMOS) ;最大 2.0 mA(正弦波)


频率稳定性与温度的关系±2.5 ppm(最大值)/-30°C 至 80°C
温度范围0°C至70°C;-40°C至85°C;0°C至50°C;-30°C至75°C


频率与电压最大 ±0.3 ppm / Vcc ± 5%
频率与负载±0.3 ppm 最大值 / 10 kOhms/ 10 pF ± 10%
老化±25°C 时每年最大值为 1.0 ppm


相位噪声-140 dBc/Hz (10 kHz)




电调谐

可控频率选项电压控制选项:最小 ±8 ppm
控制电压 (Vc)Vcc = 5 V 时为 2.5±2.0 V;1.65±1.5 V(Vcc = 3.3 V)
Vc在Fnom时的可设定性,25°C2.5±0.5 V DC 用于 5.0V 部分;1.65±0.4 VDC 用于 3.3V 部分


正弦波输出

输出负载10 kOhms 或 10 pF ±10%
输出波形正弦波
输出电平最小 0.8 Vp-p


HCMOS/TTL输出

输出负载CMOS 15 pF
逻辑“1”/逻辑“0”电平最小 0.9Vcc / 最大 0.1 Vcc
上升/下降时间 (Tr/Tf)10 ns(最大值)
占空比非三态 60/40%

相关推荐:

220系列恒温晶振OCXO

222系列恒温晶振OCXO

225系列恒温晶振OCXO

263系列恒温晶振OCXO

260系列石英晶振OCXO

更多MTI-milliren品牌产品信息可咨询利来国国际网站创展

推荐资讯

  • Renesas采用Arm?Cortex?-M内核的RA系列32位MCU
    Renesas采用Arm?Cortex?-M内核的RA系列32位MCU 2020-12-29 15:49:28

    ?Renesas?(瑞萨)灵敏的高端(RA)32位MCU是选用Arm?Cortex?-M33,-M23和-M4处理器内核,并根据PSA资质认证的,行业领域先进的32位MCU。RA可供应更为强有力的内嵌式安全可靠功能模块,优良的CoreMark?性能指标和极低的运行功率,并具备标志性的ArmCortex-MMCU具备显着优越性。PSA资质认证能为客户供应信心和安全保障,帮助其迅速部署安全可靠的物联网端点和边缘机器设备,及其应用于工业4.0的智能工厂机器设备。

  • Q-Tech QPL晶体振荡器
    Q-Tech QPL晶体振荡器 2021-06-10 17:03:51

    Q-Tech? QPL晶体振荡器是体现晶体或振荡器能否符合非常性能卓越规定要求的检测标准之一。将其运用于国防装备和军事产品的零部件,以符合这一标准是必不可少的。

在线留言

在线留言