XCL211B082DR降压DC/DC转换器Torex

发布时间:2024-05-21 09:37:24     浏览:2950

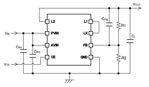
  XCL211B082DR是一款由Torex生产的超小型降压DC/DC转换器,属于XCL211系列。该系列产品将线圈和控制IC集成在一个封装内,尺寸仅为3.1mm×4.7mm,高度为1.3mm,这种紧凑的设计简化了电路板布局,并有助于减少因电路布线引起的错误动作或噪声。

XCL211B082DR降压DC/DC转换器Torex

  该转换器的输入电压范围为2.7V至6.0V,输出电压可以通过外部电阻从0.9V起任意设定,其反馈电压为0.8V±2%。XCL211系列的工作频率是固定的,这有助于抑制输出纹波。软启动时间设定为1ms(典型值),确保输出电压能够快速启动。限定电流功能设定为4.0A(典型值),内置的UVLO功能在输入电压低于2.4V(典型值)时会强制停止内部驱动晶体管的工作,以保护电路。

  当CE(Chip Enable)信号为低电平时,内置的CL放电功能会释放负载电容(CL)中的电荷,从而将待机时的消耗电流控制在1.0μA以下,有助于降低功耗。

  XCL211B082DR的主要技术参数包括:

  - 效率:高达94%(在VIN=5.0V,VOUT=3.3V时)

  - 输出电流:2.0A

  - 振荡频率:2.4MHz

  - 最大占空比:100%

  - 控制方式:PWM(XCL211)或PWM和PFM(XCL212)

  - 功能:限流(自动返回)、软启动、CL放电、UVLO

  - 输出电容:推荐使用低ESR陶瓷电容

  - 工作环境温度:-40℃至85℃

  - 包装:USP-11B01

  - 环保:符合欧盟RoHS标准,无铅

  XCL211B082DR适用于多种应用场景,包括笔记本电脑、打印机、平板电脑和便携式导航设备(PND)等。其高效率、紧凑的尺寸和丰富的保护功能使其成为电子设备中电源管理的理想选择。

更多Torex DCDC降压转换器可咨询利来国国际网站创展

推荐资讯

  • Renesas瑞萨RH850系列汽车MCU微控制器
    Renesas瑞萨RH850系列汽车MCU微控制器 2024-02-02 09:34:10

    Renesas瑞萨RH850系列汽车MCU是专为汽车电子系统设计的高性能微控制器,具有强大的处理能力、丰富的外设接口和高级安全功能,适用于各种汽车应用

  • PMTA-1315-ALC自动液位控制放大器Princeton Microwave
    PMTA-1315-ALC自动液位控制放大器Princeton Microwave 2024-04-24 10:00:02

    PMTA-1315-ALC是Princeton Microwave公司的自动液位控制放大器,工作在13.75-14.5 GHz频率范围,输出功率恒定(8 +/- 0.5 dBm),适合多种通信和微波应用。特点包括低噪声系数、高OIP3、20 dBm恒增益,适用于-40至+55摄氏度环境温度。采用MMIC和分立器件,单电源供电,稳定性好。

在线留言

在线留言