PMTA-0218-17-2低噪声放大器Princeton Microwave

发布时间:2024-06-18 09:15:27     浏览:2442

PMTA-0218-17-2低噪声放大器Princeton Microwave

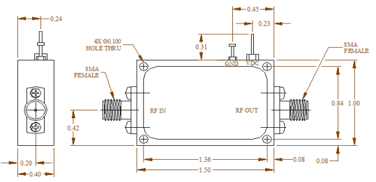
  Princeton Microwave的PMTA-0218-17-2低噪声放大器是一款专为2 GHz至18 GHz频率范围设计的高性能射频放大器。它具有以下关键特点和规格:

  - 频率范围: 2 GHz至18 GHz

  - 小信号增益: 最小17 dB

  - 增益平坦度: ±1.25 dB

  - 噪声系数: 2 dB(中频处)

  - 输入/输出回波损耗: -10 dB

  - 最小输出: 18 dB

  - 直流工作电压: 12 V

  - 直流工作电流: 100 mA

  - 连接器: SMA

  - 射频输入功率: 5 dBm

  - 工作温度: -40℃至85℃

  - 储存温度: -55℃至150℃

  该放大器还具备内部电压调节和偏置排序功能,确保稳定性和可靠性。作为一个密封模块,它能在-50?C至100?C的温度范围内工作,适合在恶劣环境中使用。总体而言,PMTA-0218-17-2是一款适用于需要低噪声和高增益射频应用的设备。

PmT公司自1993年起为军事和电信市场提供高质量的微波器件,如振荡器和放大器。该公司产品系列包括各种振荡器、低噪声放大器、功率放大器、功率分配器、耦合器、滤波器、混频器等。利来国国际网站创展代理分销PmT公司产品,欢迎了解。

相关推荐:

相关推荐:

Princeton Microwave介电谐振器 

PMT-PA-7984-10功率放大器

推荐资讯

  • PDI VN03系列OCXO恒温晶振 频率5-100MHz
    PDI VN03系列OCXO恒温晶振 频率5-100MHz 2024-01-29 09:34:35

    PDI VN03系列恒温控制晶体振荡器(OCXO)确保在最苛刻的环境下精确的频率。低相位噪声,在高振动环境下的性能,和双密封石英晶体,这种OCXO也可以在5MHz至100Mhz范围内定制频率,采用通孔封装,封装尺寸为25.4 x 25.4mm,输出为正弦波至 50 欧姆,PDI为您的原型需求,大规模生产能力和有竞争力的价格提供快速取样。

  • DEI分立于数字接口IC
    DEI分立于数字接口IC 2021-05-19 17:03:17

    ?DEI?为航空电子设备和工业生产市场提供30多个离散数字接口集成电路。这些机械设备接受6或8个并行执行输入。一些模型规范将并行执行输入转换为SPI串行数据通道,并满足ABD0100H(空客指令)。各种离散到数字产品包括do-160 D防雷保护,以确保系统的使用寿命。

在线留言

在线留言