XCA204A0K1MR降压DC-DC电源模块TOREX

发布时间:2024-07-04 09:24:06     浏览:2244

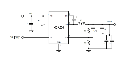
  XCA204A0K1MR是由Torex公司生产的一款高性能同步降压DC/DC电源模块。这款转换器设计用于将较高的输入电压降低至较低的输出电压,适用于多种电子设备的电源管理需求。

XCA204A0K1MR降压DC-DC电源模块TOREX

  该模块的主要特点包括:

  1. 工作电压范围:XCA204A0K1MR的工作电压范围为4.5V至18.0V,这使得它能够适应多种输入电压条件。

  2. 内置Nch-Nch驱动FET:模块内部集成了N沟道MOSFET作为驱动器,这有助于提高转换效率和简化外部电路设计。

  3. 输出电压可调:通过外部电阻R1和R2,用户可以将输出电压设置在0.8V至0.65×VIN或最高7.0V之间,提供了灵活的电压调节能力。

  4. 工作频率:该模块的工作频率为700kHz,这有助于减小外部元件的尺寸并提高转换效率。

  5. 控制方式:采用PWM/PFM自动切换控制方式,根据输出电流的需求在PWM(脉宽调制)和PFM(脉冲频率调制)之间自动切换,以实现在不同负载条件下的高效率转换。

  6. 软启动时间:内部固定的软启动时间为1.3ms,有助于减少启动时的电流冲击。

  7. 保护功能:内置欠压锁定(UVLO)功能,当输入电压降至4.1V以下时,会自动关闭驱动FET以保护电路。此外,还具备过流保护和热关断功能,确保在异常情况下设备的安全运行。

规格参数:


输入电压
4.5V~18V (绝对最大20V)
输出电压0.8V ~ 0.65×VIN 或7V Max
FB电压0.765V ±3.0%
输出电流3.0A
工作频率700kHz
控制方式PWM/PFM 自动切换
效率92%
内部功率 MOSFETHigh-side 85mΩ
Low-side 45mΩ
软启动时间1.3ms
保护功能UVLO
电流限制
热关断
电容对应陶瓷电容
工作环境温度-40℃ ~ 85℃
环保相关符合欧盟 RoHS 指令,无铅

  XCA204A0K1MR适用于多种应用场景,包括机顶盒、便携式电视、液晶电视和AP路由器等,为这些设备提供稳定可靠的电源解决方案。

更多Torex DCDC降压转换器可咨询利来国国际网站创展

推荐资讯

  • 全球领先的高压电源模块AC/DC,DC/DC转换器制造商
    全球领先的高压电源模块AC/DC,DC/DC转换器制造商 2025-09-01 09:27:47

    高压转换器将高电压转换为所需形式(AC/DC或DC/DC),用于工业设备供电。全球主要供应商包括:Spellman(62V-500kV)、SynQor(9V-425V)、Crane(270V-800V)、Pico(100V-10kV)、XP Power(500V-500kV)等,覆盖从电子设备到工业系统的各种应用场景,具有宽电压范围(9V-500kV)和高功率(1W-200kW+)的特点。

  • TI德州仪器TPSM82821A电源模块
    TI德州仪器TPSM82821A电源模块 2025-06-23 09:02:51

    TI德州仪器TPSM82821A是一款采用MicroSiP?封装的1A高效降压转换器,具有2.4-5.5V宽输入范围、0.6-4V可调输出(含固定电压选项),通过集成电感和DCS-Control拓扑实现95%效率与4μA超低静态电流,其2.0×2.5×1.1mm微型封装融合电感等元件,支持强制PWM/省电模式,并提供过温/短路等保护,专为物联网设备、便携电子及传感器等空间受限的低功耗场景设计。

在线留言

在线留言