FS1406-0600-AS μPOL DC-DC电源模块TDK

发布时间:2024-07-09 09:05:01     浏览:1207

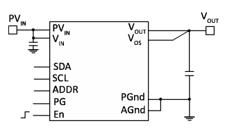
  FS1406是一个由TDK公司生产的完全集成的微型负载点(μPOL?)电压稳压器,集成了脉宽调制(PWM)控制器、MOSFET、电感器和电容器,形成了一个非常紧凑且准确的稳压器。其低剖面封装适用于自动化装配,使用标准表面贴装设备。该模块由跨功能工程团队开发,体现了最佳实践和领先技术,特别是在使用I?C总线进行编程操作方面,这是同类产品中的创新特点。

FS1406-0600-AS μPOL DC-DC电源模块TDK

  FS1406-0600-AS μPOL DC-DC电源模块是由TDK公司生产的一款高度集成的降压稳压器,专为需要紧凑、高效且功能丰富的电源管理解决方案的应用而设计。以下是该模块的主要特性和应用介绍:

  特性

  μPOL?封装:模块内部集成了输出电感器,实现了高度集成化。

  体积小:尺寸仅为3.3mm x 3.3mm x 1.5mm,非常适合空间受限的应用。

  高负载能力:能够连续提供6A的负载电流。

  即插即用:无需外部补偿,简化了设计和部署过程。

  I?C串行总线:支持可编程操作,提供了灵活的控制选项。

  宽输入电压范围:支持4.5至16V的输入电压。

  可调节输出电压:输出电压范围为0.6至2.64V,初始精度达到±0.5%。

  保护功能:包括预偏置启动保护、软启动保护、过电压保护、热补偿过电流保护、热关断和自恢复功能等。

  工作温度范围:从-40°C至+125°C,适应各种环境条件。

  环保:无铅无卤素,符合EU指令REACH和RoHS 6。

  应用

  FS1406-0600-AS模块非常适合以下应用:

  - 存储应用

  - 电信和网络应用

  - 工业应用

  - 服务器应用

  - 分布式负载架构

  - 外围电压调节

  - 一般DC-DC转换应用

型号:


Part numbers
Vour250 devices on a ree4000 devices ona reel
0.60FS1406-0600-ASFS1406-0600-AL
0.70FS1406-0700-ASFS1406-0700-AL
0.75FS1406-0750-ASFS1406-0750-AL
0.80FS1406-0800-ASFS1406-0800-AL
0.90FS1406-0900-ASFS1406-0900-AL
1.00FS1406-1000-ASFS1406-1000-AL
1.05FS1406-1050-ASES1406-1050-A
1.10FS1406-1100-ASFS1406-1100-AL
1.20FS1406-1200-ASFS1406-1200-AL
1.80FS1406-1800-ASFS1406-1800-AL
2.50FS1406-2500-ASFS1406-2500-AL
2.64FS1406-2640-ASFS1406-2640-AL

相关推荐:

TDK μPOL电源模块替代方案 

TDK超小型负载点μPOL DC-DC转换器 

注:TDK μPOL?嵌入式DC-DC电源模块型号产品可用Cyntec电源模块进行替代,具体替代方案可咨询利来国国际网站创展

推荐资讯

  • 美国加征关税冲击下CYNTEC电源模块如何替代TI产品?
    美国加征关税冲击下CYNTEC电源模块如何替代TI产品? 2025-04-07 16:05:32

    美国加征关税导致从美国进口的TI非隔离DC-DC电源模块成本上升,供应链稳定性也面临风险。国产CYNTEC非隔离DC-DC电源模块凭借高性能、高性价比和优质服务,成为TI产品的理想替代方案。CYNTEC模块在效率、功能和应用领域等方面表现出色,可满足光通信、工业制造、车载电子等多领域需求,且供货稳定,能有效帮助企业降低成本、优化供应链,增强市场竞争力。

  • 美国American Power Design A100系列高压DC-DC转换器100W,48-200V
    美国American Power Design A100系列高压DC-DC转换器100W,48-200V 2025-03-27 09:19:10

    American Power Design A100系列高压直流/直流转换器由美国American Power Design, Inc.生产,是一款高性能电源产品,具有宽输入电压范围(10-20Vdc、18-36Vdc、36-72Vdc)和可调输出电压(48Vdc至200Vdc),最大输出功率为100W,效率高达90%。其紧凑尺寸(2.75 x 4.8 x 0.92英寸)和轻量化设计(13.5盎司)使其适用于高压应用、输入电压波动较大的环境以及对电源质量要求较高的精密仪器和工业设备。

在线留言

在线留言