OH320-LA-61003CV压控恒温晶体振荡器(VCOCXO)Connor-Winfield

发布时间:2024-07-16 09:22:21     浏览:1910

OH320-LA-61003CV压控恒温晶体振荡器(VCOCXO)Connor-Winfield

  OH320-LA-61003CV是一款高性能的压控恒温晶体振荡器(VCOCXO),由Connor Winfield公司生产。这款振荡器专为需要极高频率稳定性和精确控制的应用而设计。

  主要特性:

  输出频率: 提供10.0 MHz和12.8 MHz两种频率选项。

  电源电压: 3.3 Vdc,适用于低功耗应用。

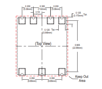
  封装类型: SM-FR4,尺寸为25.4x22毫米,适合表面贴装技术。

  频率稳定性: ±10 ppb,确保在各种条件下都能保持极高的频率精度。

  温度范围: -40至85℃,适合在广泛的温度环境下工作。

  输出逻辑系列: LVCMOS,与数字系统兼容。

  接地金属盖: 提供额外的电磁屏蔽和保护。

  RoHS合规/无铅: 符合环保标准。

  操作规格:

  中心频率(Fo): 10.0 MHz或12.8 MHz。

  频率校准@ 25℃: ±0.1 ppm,确保出厂时的精确校准。

  频率稳定性vs温度: ±10 ppb,即使在温度变化下也能保持稳定。

  相位抖动: 1.0 ps rms(在10 Hz至Fo/2带宽内),表明低相位噪声性能。

  艾伦偏差(Tau=1s): 2.7E-12至5.0E-12,显示了良好的短期频率稳定性。

  启动时间: 500 ms,快速启动以减少等待时间。

  电压控制输入特性(仅VCOCXO):

  控制电压范围: 0.0至3.3 V。

  拉动范围: ±0.4至±0.6 ppm,允许微调频率。

  输入阻抗: 100K欧姆,适合与各种控制电路接口。

  这款VCOCXO适用于通信、测量、导航和其他需要高精度频率控制的应用。其紧凑的设计和优异的性能使其成为工业和科学应用中的理想选择。

相关推荐:

供应Connor-Winfield温度补偿晶体振荡器TCXO 

供应Connor-Winfield压控温度补偿晶体振荡器VCTCXO 

供应Connor-Winfield压控晶体振荡器VCXO 

供应Connor-Winfield恒温晶体振荡器OCXO 

供应Connor-Winfield压控恒温晶体振荡器VCOCXO

供应Connor-Winfield时钟同步发生器 

供应Connor-Winfield频率转换模块

更多Connor-Winfield晶振产品可咨询利来国国际网站创展

推荐资讯

  • Wi2Wi DL4系列石英晶体时钟振荡器
    Wi2Wi DL4系列石英晶体时钟振荡器 2024-02-12 16:14:28

    DL 系列振荡器经过专门设计和制造,可在最极端的环境条件和温度下超越行业对可靠性和稳定性的要求。DL4 系列经过严格的可靠性和环境测试,以满足并超过符合 MIL-STD-202 方法 214 随机振动的所有测试条件。

  • TDK μPOL电源模块替代方案
    TDK μPOL电源模块替代方案 2023-12-25 09:01:44

      TDK? μPOL? DC-DC转换器,这是业界最紧凑、功率密度最高的负载点解决方案,适用于大数据、机器学习、人工智能(AI)、5G蜂窝、物联网和计算企业等应用。

在线留言

在线留言