DAC39RF10-SP数模转换器(DAC)TI

发布时间:2024-08-08 09:14:24     浏览:1505

DAC39RF10-SP数模转换器(DAC)TI

  DAC39RF10-SP 是TI德州仪器生产的一款具有 16 位分辨率的双通道和单通道数模转换器 (DAC)。以下是该产品的详细介绍:

  主要特性:

  分辨率:16 位

  DAC 通道数:2

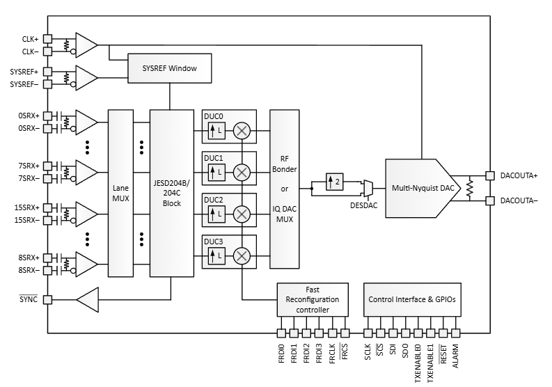
  接口类型:JESD204B、JESD204C

  采样/更新速率:10400 Msps(双通道),20800 Msps(单通道)

  插值选项:提供多种插值倍数,包括 128 倍、12 倍、16 倍、192 倍、1 倍、24 倍、256 倍、2 倍、32 倍、3 倍、48 倍、4 倍、64 倍、6 倍、8 倍、96 倍

  功耗:典型值为 3800 mW

  无杂散动态范围:85 dB

  工作温度范围:25°C 到 25°C

  应用场景:

  直接射频采样:能够在超过 10GHz 的载波频率下生成高达 10GHz、7.5GHz 和 5GHz 的信号带宽,支持对 C 带进行直接采样。

  复数基带信号生成:适用于生成复杂的基带信号。

  任意波形生成 (AWG):利用高采样速率和 64 位 NCO 频率分辨率实现。

  直接数字合成 (DDS):支持相位相干的跳频。

  接口和同步:

  串行接口:符合 JESD204B 和 JESD204C 标准,具有 16 个接收器对,速率高达 12.8Gbps。

  确定性延迟和多器件同步:通过使用 SYSREF 实现。

  其他特性:

  超高速:适用于需要极高数据速率的应用。

  建筑电流源:确保稳定可靠的电流输出。

  引用类型:支持分机和整数类型。

  DAC39RF10-SP 是一款适用于高性能射频和通信系统的高速数模转换器,能够满足复杂信号生成和处理的需求。

推荐资讯

  • SD10501IQ同步降压DC-DC转换器模块Solitron Devices
    SD10501IQ同步降压DC-DC转换器模块Solitron Devices 2025-08-15 08:47:36

    Solitron Devices的SD10501IQ是一款集成化同步降压DC-DC转换器,采用6×4×1.85mm QFN封装,支持4.5-7V输入和0.6-3.3V/1A输出,具有94%高效率和890kHz开关频率,适用于FPGA供电、工业设备和医疗电子等领域。

  • 关税影响下CYNTEC非隔离DC-DC电源模块的替代优势
    关税影响下CYNTEC非隔离DC-DC电源模块的替代优势 2025-04-07 15:50:08

    在当前关税调整的背景下,CYNTEC非隔离DC-DC电源模块凭借其高性能、高效率、紧凑设计以及丰富的功能,成为OmniOn Power、Murata村田、TI、COSEL、TDK、Torex、RECOM等国际品牌的理想替代方案。CYNTEC模块不仅具备高达91%的峰值效率和多种保护功能,还通过紧凑尺寸满足空间受限设备的需求,广泛应用于光通信、服务器、云计算、车载、物联网和工业制造等领域。企业选择CYNTEC,不仅能有效降低成本,还能确保供应链的稳定性和产品的可靠性。

在线留言

在线留言