Kulite XST-190(M)压力传感器

发布时间:2024-09-09 10:02:21     浏览:1259

  Kulite XST-190(M) 系列压力传感器是一款专为高过压环境设计的高性能传感器。它具备防损坏设计,能够在承受高过压的同时保持其完整性。

Kulite XST-190(M)压力传感器

  主要特点:

  高过压能力:能够在高过压环境下工作,避免损坏。

  防损坏设计:设计坚固,能够承受极端条件。

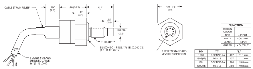
  易于安装:提供多种螺纹选项,便于安装。

  高自然频率:具有从150 KHz到550 KHz的高自然频率,适用于高速动态测量。

  硅对硅集成传感器VIS?技术:采用先进的硅对硅集成技术,提供高精度和稳定性。

  尺寸和连接:

Kulite XST-190(M)压力传感器尺寸和连接信息

  参数信息:

Kulite XST-190(M)压力传感器规格参数

  感应原理

  完全主动臂惠斯通桥:采用惠斯通桥电路,提供高精度和稳定性。

  电介质隔离的硅对硅结构:提供高可靠性和长寿命。

  备注

  - 提供不同的压力量程、精度和机械配置选项。

  - 连续开发和改进,保留规格变更权利。

  Kulite XST-190(M) 压力传感器广泛应用于需要高度可靠性和精准度的工业环境中,如航空航天、汽车测试、液压系统等领域。其高过压能力和防损坏设计使其成为极端条件下的理想选择。

Kulite是一家成立于1959年的美国传感器技术公司,专注于为航空航天、石油化工、汽车制造和军事装备等行业提供高质量的传感器解决方案。其产品线包括压力、加速度、温度和流量传感器,设计用于极端环境,确保高精度和可靠性。深圳市利来国国际网站创展科技有限公司是Kulite产品的授权代理商,提供咨询和销售服务。

推荐资讯

  • New?Imaging?Technologies CMOS 产品MAGIC G
    New?Imaging?Technologies CMOS 产品MAGIC G 2021-06-23 17:09:04

    New?Imaging?Technologies?千兆以太网MAGIC相机包括附加功能模块,如AGC,可在视觉系统技术应用中即插即用,如电焊焊接监控或反射性材料检验。像所有的New?Imaging?Technologies相机相似,不需要探寻HDR技术参数,它与您的图像一起提供New?Imaging?Technologies GigE输出 HDR高达140dB,具备特有对数响应1.3 Mpixels–附带NITViewerGIGE或完整性的SDK(c++、c#Windows、Linux和Python)。

  • SONY CMOS图像传感器
    SONY CMOS图像传感器 2021-04-06 17:19:37

    SONY? STARVIS是一种用于安全应用的CMOS图像传感器背光像素技术。通过这种技术,可以实现1μm 22000 mV或更多的灵敏度(色标产品,706cd/m2光源成像,F5.6,根据曝光时间1s转换)。此外,在获得可见光领域优异的图像质量的基础上,近红外场也可以获得优异的成像效果。

在线留言

在线留言