X-1620NL SMT信号隔离变压器iNRCORE

发布时间:2024-10-31 09:02:02     浏览:2370

X-1620NL SMT信号隔离变压器iNRCORE

  iNRCORE X-1620NL是一款专为恶劣环境设计的小尺寸信号隔离表面贴装(SMT)变压器,具备以下特点:

  主要特点:

  高隔离电压:至少3kVrms。

  宽工作温度范围:从-55°C至+125°C。

  耐用材料:锡/铅结构。

  湿度敏感性等级:3级。

  电气规格:

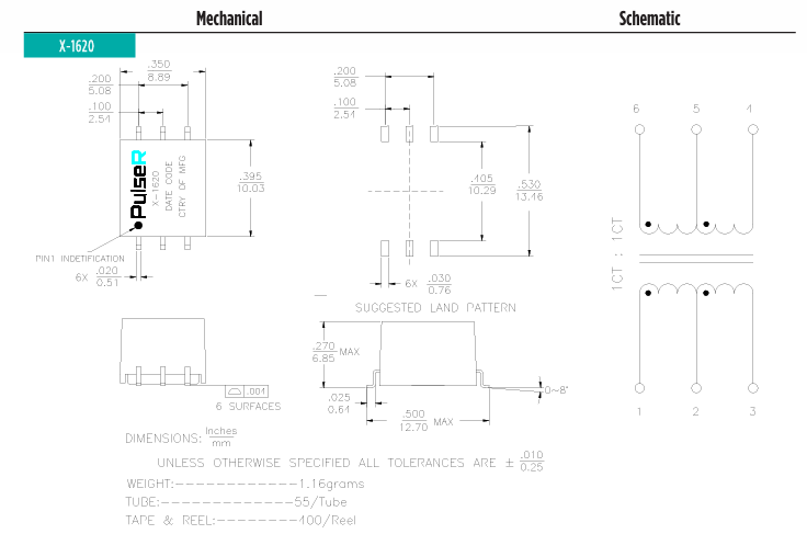
  匝比:1CT:1CT,初级与次级匝比精度为±2%。

  初级电感:至少1mH。

  直流电阻(DCR):最大0.8Ω。

  漏感:最大1.2mH。

  绕组间电容(Cww):最大25pF。

  初级电容(Cd Pri @ 10MHz):最大10pF。

  引脚配置:1-3。

  物理特性:

  重量:1.16g,轻巧设计,便于集成。

  尺寸:10.03 × 8.89 × 6.85mm,小巧尺寸适合空间受限的应用。

  这款X-1620NL变压器在耐高温、抗湿性以及高电压隔离性能方面表现卓越,非常适合需要高环境适应能力的应用场景,如工业控制、汽车电子和通信设备。

图片3.png

相关推荐:

INRCORE汽车BMS变压器 

INRCORE高频巴伦适配器转换器 

iNRCORE电流互感器 

iNRCORE反激式变压器

更多INRCORE相关产品信息可咨询利来国国际网站创展

推荐资讯

  • RA1058NL汽车BMS变压器iNRCORE
    RA1058NL汽车BMS变压器iNRCORE 2024-08-28 09:49:21

    RA1058NL是iNRCORE一款汽车级BMS变压器,符合AEC-Q200标准,匝比1:1,感应量150-450 μH,适用于极端环境,工作温度-40°C至+125°C。

  • BFP196WH6327XTSA1低噪声硅RF晶体管Infineon英飞凌
    BFP196WH6327XTSA1低噪声硅RF晶体管Infineon英飞凌 2024-10-28 09:01:28

    BFP196WH6327XTSA1是一款低噪声硅射频(RF)晶体管,适用于高频率和低噪声放大应用,如无线通信、射频前端和多种通信设备。其关键特性包括集电极电流范围20-80mA、频率高达1.5GHz、低噪声和低失真、无铅环保、AEC-Q101认证等。参数如最大增益19dB、最大集电极电流150mA、最小噪声系数1.3dB、封装SOT343等,使其特别适合高线性和高效率的射频放大器设计。

在线留言

在线留言