PmTA-1832-44-3低噪声放大器Princeton Microwave

发布时间:2024-12-11 09:08:51     浏览:2009

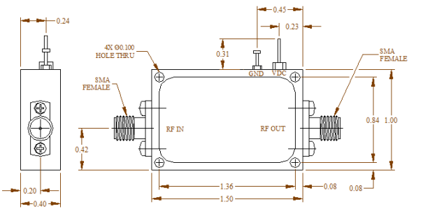
PmTA-1832-44-3低噪声放大器Princeton MicrowavePmTA-1832-44-3低噪声放大器尺寸图

  这是Princeton Microwave Technology Inc.(普林斯顿微波技术公司)生产的PmT-LNA系列低噪声放大器,型号为PmTA-1832-44-3。以下是该产品的主要特性和电气规格:

  产品特性:

  频率范围:18至32 GHz

  小信号增益:至少44 dB

  低噪声系数:中频带3 dB

  输入和输出匹配:50欧姆

  内部电压调节和偏置序列:确保稳定性和性能

  无条件稳定:在各种条件下都能稳定工作

  密封模块:提供额外的保护和耐用性

  工作温度范围:标准为-50°C至100°C

  电气规格(TA=25°C):

  频率:18至32 GHz

  小信号增益:至少44 dB

  增益平坦度:±1.25 dB

  噪声系数:中频带3 dB

  输入回波损耗:至少-10 dB

  输出回波损耗:至少-10 dB

  输出功率(Pout):至少18 dBm

  工作直流电压:12伏特

  工作直流电流:100毫安

  连接器:SMA母头

  直流连接器:滤波器焊接

  绝对最大额定值:

  直流电压:20伏特

  射频输入功率:5 dBm

  工作温度:-40°C至85°C

  存储温度:-55°C至150°C

  这款低噪声放大器适用于需要高性能频率源的应用,如通信、雷达和电子战系统。其宽频率范围、高增益和低噪声特性使其成为这些应用的理想选择。

PmT公司自1993年起为军事和电信市场提供高质量的微波器件,如振荡器和放大器。该公司产品系列包括各种振荡器、低噪声放大器、功率放大器、功率分配器、耦合器、滤波器、混频器等。利来国国际网站创展代理分销PmT公司产品,欢迎了解。

相关推荐:

相关推荐:

Princeton Microwave介电谐振器 

PMT-PA-7984-10功率放大器

推荐资讯

  • MICRON低功耗DDR5 DRAM,专为5G和AI设计
    MICRON低功耗DDR5 DRAM,专为5G和AI设计 2021-05-20 17:19:17

    MICRON?的低功耗DRAM(LPDRAM)产品组件具备低功耗、性能卓越、密度高和宽温度范围的选择,能够协助用户从性能卓越智能手机和其它智能产品中收获最大化利益。新型MICRONLPDDR5DRAM具备优秀的功效和更快的数据信息访问速度,这针对智能化AI和5g功能极为重要。MICRON的LPDDR5满足最新的的JEDEC规范。与前几代产品相比较,数据信息访问速度提升了50%,功效提升了20%以上。

  • Wi2Wi QPL振荡器MIL-PRF-55310
    Wi2Wi QPL振荡器MIL-PRF-55310 2023-12-25 11:52:00

    Wi2Wi 设计和制造各种合格产品列表 (QPL) 振荡器,适用于军事、航天和航空电子领域的广泛应用。QPL 振荡器是经认证符合 MIL-PRF-55310 标准的石英晶体时钟振荡器产品。军用 QPL 系列的坚固、坚固和可靠的产品超过了 MIL-PRF-55310 要求的所有性能和功能,可在 -55°C 至 125°C 的温度范围内提供。 该系列产品采用密封金属和陶瓷封装,采用通孔 (THT)、表面贴装 (SMD) 和 J 引线。符合 1 类、2 类振荡器的要求。该产品系列提供许多替代输出,包括 CMOS、HCMOS、ACOS 和 TTL。振荡器的频率可以根据客户的最终应用进行定制。合格的 MIL-PRF-55310 斜杠编号包括 /08、/09、/14、/16、/17、/18、/19、/21、/25、/26、/30。

在线留言

在线留言