PmTA-721-45-2.3低噪声放大器Princeton Microwave

发布时间:2024-12-23 09:10:01     浏览:1456

PmTA-721-45-2.3低噪声放大器Princeton Microwave

  PmTA-721-45-2.3低噪声放大器适用于需要高增益和低噪声系数的应用,如通信系统、雷达和电子战系统。

Electrical Specifications (TA=25C)
ParametersSpecifications
Frequency7 to 21 GHz
Small Signal Gain45 minimum
Gain Flatness±1.25 dB
Noise Figure2.3 dB at mid band
Input Return Loss-10 dB
Output Return Loss-10 dB
Pout15 dBminimum
Operating DC Voltage12 Volts
Operating DC Current100 mA
ConnectorsSMA Female
DC ConnectorSolder in Filter
Absolute Maximum Rating
DC Voltage20 Volts
RF Input Power5 dBm
Operating Temperature-40°C to85°℃
Storage Temperature-55°C to 150℃

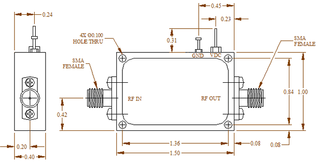
尺寸:

PmTA-721-45-2.3低噪声放大器尺寸图

PmT公司自1993年起为军事和电信市场提供高质量的微波器件,如振荡器和放大器。该公司产品系列包括各种振荡器、低噪声放大器、功率放大器、功率分配器、耦合器、滤波器、混频器等。利来国国际网站创展代理分销PmT公司产品,欢迎了解。

推荐资讯

  • Connor Winfield CWX825-40.0M振荡器
    Connor Winfield CWX825-40.0M振荡器 2024-05-29 09:18:35

    CWX825-40.0M是Connor Winfield的CWX8xx系列振荡器,专为需要严格频率稳定性和低抖动的应用设计。它符合RoHS标准,支持5V操作电压,采用5x7mm表面安装封装。该振荡器提供±50ppm的频率稳定性,能在-20°C至70°C范围内工作,并具有小于1pS RMS的低抖动性能。它还具备详细的输出特性,确保信号输出的准确性。

  • TMM? 3层压板Rogers
    TMM? 3层压板Rogers 2023-07-24 16:52:06

    Rogers? TMM?3热固性微波板材是种陶瓷热塑性聚合物复合材料,主要用于要求稳定性可靠电镀通孔的带状线和微带线技术应用。

在线留言

在线留言