TOREX XC6365/XC6366系列多功能降压DC/DC控制器

发布时间:2025-01-21 08:48:10     浏览:976

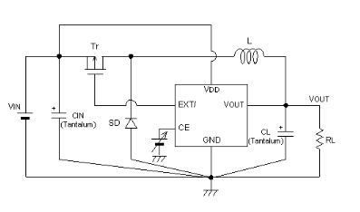
  Torex XC6365/XC6366系列是多功能降压DC/DC控制器,具有1A输出电流能力,通过使用外部连接的晶体管、线圈、二极管和电容器实现。输出电压可在1.5V至6.0V(Vout)之间以0.1V的增量进行编程(±2.5%精度)。此外,内部1.0V的标准电压供应和使用外部连接的组件,可以自由设置输出电压(FB)。通过300kHz的开关频率,可以减小外部组件的尺寸。

  XC6366(PWM/PFM可切换)在轻负载时从PWM切换到PFM,该系列从轻负载到大输出电流都具有高效率。XC6365/XC6366A、B系列的软启动时间内部设置为10ms,XC6365/66C、D系列通过外部连接电阻和电容器来调节软启动时间。

  在待机时间(CE引脚“低”),电流消耗减少到小于0.5μA。内部UVLO(欠压锁定)功能会在电压低于规定值时强制关闭外部晶体管。

TOREX XC6365/XC6366系列多功能降压DC/DC控制器

  应用领域

  电子书阅读器/电子词典

  智能手机/移动电话

  笔记本电脑/平板电脑

  数字音频设备

  多功能电源

  产品特点

  输入电压范围:2.2V至10V(Vout类型)

  输出电压范围:1.5V至6.0V(0.1V增量)(±2.5%)

  振荡频率:300kHz(±15%)

  输出电流:超过1.0A(Vin=5.0V,Vout=3.0V)

  高效率:92%(典型值)

  待机能力:Istb=0.5μA(最大值)

  选择:外部软启动设置

  输出电压设置:内部(Vout)和外部(FB)

  PWM/PFM控制(XC6366)

  最大占空比:100%

  封装:SOT-25,USP-6C

  环保:符合欧盟RoHS标准,无铅

Torex特瑞仕XCL系列PoL非隔离电源模块可用Cyntec电源模块进行替代,具体替代方案可咨询利来国国际网站创展

推荐资讯

  • Recom RPM3.3-2.0,RPM5.0-2.0非隔离开关稳压电源模块
    Recom RPM3.3-2.0,RPM5.0-2.0非隔离开关稳压电源模块 2025-07-01 09:24:47

    Recom RPM-2.0系列是一款高效(98%)、超薄(12.19×12.19×3.75mm)的非隔离降压开关稳压器模块,支持3-17V宽输入电压和0.9-6V可调输出,提供2A电流输出并具备短路/过温/过流保护,工作温度范围-40°C至+105°C,适用于工业自动化、通信基站、医疗设备及IoT等严苛环境应用。

  • MAX3032E高性能3.3V四路RS-422发送器现货供应
    MAX3032E高性能3.3V四路RS-422发送器现货供应 2025-04-11 09:15:59

    MAX3032E是Maxim公司推出的3.3V四路RS-422发送器,具备±15kV ESD保护、20Mbps高速传输和热插拔功能,静态功耗低于330?W。其工业级设计支持热关断保护,提供16引脚TSSOP/SO封装,适用于工业自动化(如PLC通信)、高速数据采集及设备串行接口扩展等场景,兼顾高可靠性与低功耗需求。

在线留言

在线留言