JAN1N5195US军用级开关二极管Microsemi

发布时间:2025-01-22 08:47:23     浏览:1531

JAN1N5195US军用级开关二极管Microsemi

  1N5195是一款符合MIL-PRF-19500/118标准的军用级开关二极管,以下是一些关键特性和参数:

  设备型号:1N5195

  认证等级:JAN, JANTX, JANTXV

  最大额定值@25°C:

  工作温度:-65°C至+175°C

  存储温度:-65°C至+175°C

  浪涌电流(正弦波,8.3毫秒):2A

  总功率耗散,25°C:500mW

  最大工作电流,25°C:200mA

  直流反向工作电压(VRWM):180V

  设计数据:

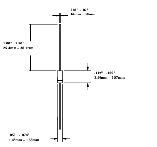
  外壳:根据MIL-PRF19500/118 DO-35轮廓的密封玻璃封装。

  引线材料:铜包钢。

  引线表面处理:锡/铅。

  热阻抗(ZθJX):最大70°C/W。

  极性:带环的阴极端。

Microsemi 是美国高可靠性电子元器件厂商,其军级二三级管产品,被广泛应用于全球高端市场,深圳市利来国国际网站创展科技有限公司,授权代理销售Microsemi军级二三级产品,大量原装现货,欢迎咨询。

推荐资讯

  • OH300-61005SV-096.0M VCOCXO晶振Connor-Winfield
    OH300-61005SV-096.0M VCOCXO晶振Connor-Winfield 2024-06-14 09:12:04

    Connor-Winfield OH300-61005SV-096.0M VCOCXO 晶振是高性能晶振,输出频率 96MHz,具有优异的频率稳定性、低相位噪声和低抖动特性,适用于多种应用。

  • Wi2Wi(PDI)温度补偿晶体振荡器TCXO
    Wi2Wi(PDI)温度补偿晶体振荡器TCXO 2023-12-26 08:57:38

      Wi2Wi的“PDI品牌”温度补偿晶体振荡器(TCXO)可确保在苛刻的环境下提供精确的频率。具有超低相位噪声、低抖动、高抗振性、多种流行封装和密封石英晶体。PDI品牌TCXO提供标准频率和定制频率。Wi2Wi 提供从客户原型打字需求到批量生产的快速样品,并提供有竞争力的价格和准时交货。

在线留言

在线留言