RFCR2888嵌入式X波段同轴环形器RFCI

发布时间:2025-02-21 13:40:56     浏览:909

RFCR2888嵌入式X波段同轴环形器RFCI

  RFCR2888是一款高性能的嵌入式X波段同轴环形器,专为需要高频率、低损耗和高隔离度的应用设计。以下是该环形器的详细介绍:

  产品概述

  RFCR2888环形器工作在X波段,频率范围从8000 MHz到10500 MHz,覆盖了X波段的主要频率。这种环形器在雷达、通信和电子对抗系统中有广泛的应用,特别是在需要高频率和高隔离度的场合。

  机械特性

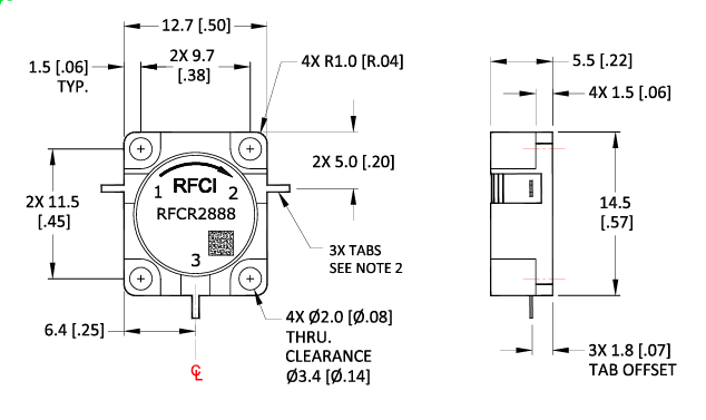
  尺寸:该环形器的尺寸为12.7 mm(0.50英寸)宽,6.4 mm(0.25英寸)高,适合嵌入式安装。

  安装:设计有4个直径为1.5 mm(0.06英寸)的安装孔,方便固定。

  引脚:2个直径为5.0 mm(0.20英寸)的引脚,3个引脚的偏移量为1.8 mm(0.07英寸),确保了良好的电气连接和机械稳定性。

  电气性能

  频率范围:8000 MHz至10500 MHz,覆盖了X波段的主要频率。

  插入损耗:典型值小于0.35 dB,最大值0.50 dB,保证了信号传输的低损耗。

  隔离度:最小值18 dB,典型值大于22 dB,提供了良好的信号隔离,防止信号干扰。

  回波损耗:最小值18 dB,典型值大于22 dB,确保了良好的信号反射特性。

  功率和温度等级

  正向功率:最大500/50瓦特,能够承受高功率信号。

  反向功率:最大35瓦特,适用于连续波(CW)操作。

  工作温度:-40至+85°C,适用于各种环境条件。

  存储温度:-40至+95°C,确保了在极端温度下的存储安全。

  应用

  RFCR2888环形器适用于需要高频率、低损耗和高隔离度的应用,如:

  雷达系统:用于信号的分离和保护接收器。

  通信系统:用于信号的隔离和方向控制。

  电子对抗:用于信号的干扰和保护。

RFCI是一家专业生产射频(RF)环行器和隔离器的公司,产品覆盖了从50 MHz到20 GHz的频率范围,广泛应用于通信和无线基础设施。深圳市利来国国际网站创展科技有限公司优势代理销售RFCI产品,欢迎咨询了解。

推荐资讯

  • SmartHeat SLT自限温薄膜柔性加热器Minco
    SmartHeat SLT自限温薄膜柔性加热器Minco 2025-07-21 14:15:56

    Minco的SmartHeat SLT薄膜加热器采用专利自限位技术,通过智能聚合物材料实现精准自调节控温,兼具过热保护、宽电压适应和超薄柔性结构,广泛应用于医疗设备恒温、航空航天除冰及工业电子防护等领域,无需外接控制器即可确保温度均匀性,显著降低系统成本。

  • CCI全功率便携式PIM分析仪
    CCI全功率便携式PIM分析仪 2024-01-15 16:35:34

    通信元件公司(CCI?)的PiMPro塔系列是第一款真正便携式无源互调(PIM)分析仪家族。它具备真实世界级的40W×2输出功率,并可在电池供电下运行超过三个小时。塔系列展示了CCI在滤波器和放大器方面的世界级内部工程设计专业知识的完美协同作用。每个重量轻、紧凑的单位都配备了一个坚固的背包箱,方便用户将其绑在背上,以便在登山者身上进行塔顶性能测试时保护设备。该设备可以安全地固定在大多数塔结构上,借助集成的工业级夹。塔系列采用高品质、明亮的8英寸电容屏幕,并提供方便友好的用户界面。

在线留言

在线留言