RFCI RFCR2911法兰安装嵌入式环行器

发布时间:2025-04-11 09:07:24     浏览:1323

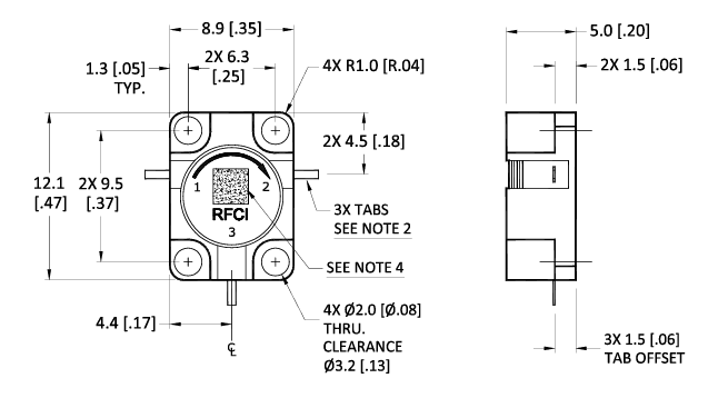
  这是RFCI生产的RFC2911的法兰安装嵌入式同轴环行器。环行器是一种用于微波和射频通信系统中的非互易性器件,它允许信号在一个方向上通过,而在相反方向上阻止信号。RFCR2911环行器适用于需要高隔离度和低插入损耗的射频和微波应用,如卫星通信、雷达系统和无线通信基站。

RFCI RFCR2911法兰安装嵌入式环行器

  电气规格

  频率范围:13.0 GHz至16.0 GHz

  插入损耗:典型值小于0.45 dB,最大值0.50 dB

  隔离度:典型值大于20 dB,最小值18 dB

  回波损耗:典型值大于20 dB,最小值18 dB

  功率和温度等级

  正向功率:峰值/平均值250/25W

  反向功率:最大10W

  工作温度:-40至+85°C

  存储温度:-40至+95°C

  机械尺寸

  尺寸:外径12.1mm,高度4.4mm

  安装孔:4个直径1.0mm的安装孔

  引脚:3个引脚,间距2.0mm

  引脚偏移:1.5mm

RFCI是一家专业生产射频(RF)环行器和隔离器的公司,产品覆盖了从50 MHz到20 GHz的频率范围,广泛应用于通信和无线基础设施。深圳市利来国国际网站创展科技有限公司优势代理销售RFCI产品,欢迎咨询了解。

推荐资讯

  • Kuhne KU PA 040048-60 HY:UHF MOSFET功率放大器
    Kuhne KU PA 040048-60 HY:UHF MOSFET功率放大器 2025-04-08 09:11:27

    Kuhne KU PA 040048-60 HY 是一款专为400-480MHz UHF频段设计的MOSFET功率放大器,适用于模拟传输系统。其核心参数包括:输入功率17dBm(最大20dBm),输出功率达60W(P3dB 47.7dBm),增益≥34dB,谐波抑制≥55dB,效率≥30%(12-14V供电)。主要应用于无线通信及广播系统的高功率信号放大场景。

  • LNF-LNC03_14SA,LNF-LNC4_16SB小型低温低噪声放大器LNA
    LNF-LNC03_14SA,LNF-LNC4_16SB小型低温低噪声放大器LNA 2025-06-13 16:57:32

    LNF-LNC03_14SA,LNF-LNC4_16SB,LNF-LNC4_8D,LNF-LNC6_20SC紧凑型低温放大器:采用可堆叠镀金铝封装(19.8×20.8×3.556mm),适配G3PO连接器,覆盖300MHz-20GHz频段,最低噪声仅2.1K(LNC4_8D型号),支持射电天文、量子计算及5G等高端应用。

在线留言

在线留言