Renaissance 12A4BG-40N双定向耦合器

发布时间:2025-07-25 08:56:22     浏览:1506

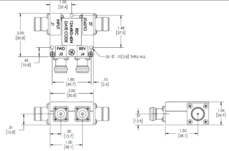
  Renaissance 12A4BG-40N是一款双定向耦合器,由 Renaissance Electronics公司生产。其工作频率范围为700MHz至4.2GHz,尺寸为2×2×1.06英寸,适用于测试和测量应用。

Renaissance 12A4BG-40N双定向耦合器

Renaissance 12A4BG-40N双定向耦合器尺寸图

Renaissance Electronics & Communications, LLC 是一家专注于高可靠性无源和有源组件以及子系统的设计和制造公司,其产品广泛应用于军事和商业领域。HXI公司(已被Renaissance收购)是一家专注于射频和微波技术的公司,主要为国防、太空和航空市场提供广泛的产品线,包括低噪声放大器、功率放大器、频率倍增器、混频器/上变频器、波导隔离器和环行器以及PIN开关等,频率覆盖从18 GHz至110 GHz。深圳市利来国国际网站创展科技有限公司优势供销Renaissance/HXI产品,欢迎咨询了解。

推荐资讯

  • Bird射频500瓦衰减器
    Bird射频500瓦衰减器 2022-03-01 17:07:53

    Bird射频?500瓦常规冷却射频功率衰减器是种有价值且安全可靠的配件,可用来减少功率水平、隔离被测部件、实行谐波信号分析及其作为比较标准。

  • Kuhne KU LNC 8085 C PRO2:X波段深空通信低噪声转换器
    Kuhne KU LNC 8085 C PRO2:X波段深空通信低噪声转换器 2025-05-23 09:04:24

    Kuhne KU LNC 8085 C PRO2 是一款高性能 X 波段(8.0-8.5 GHz)超低噪声下变频器,可将高频信号(8000-8500 MHz)转换为中频(200-1300 MHz),适用于深空通信、卫星通信等高要求场景。

在线留言

在线留言