XCL210系列降压型微型DC/DC转换器Torex
发布时间:2024-11-04 09:23:38 浏览:1103
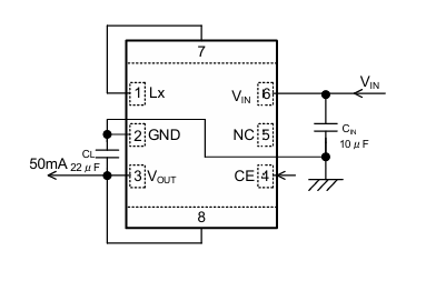
Torex XCL210系列是一款集成电感器与控制IC的同步降压型微型DC/DC转换器。它具有微型封装(2.0mm × 2.5mm × 1.0mm),这种微型封装使得它在空间受限的应用场景中具有很大优势。内置电感简化了电路设计,减少了噪声以及其他相关电路问题。
特点:
输入电压范围:2.0V~6.0V
输出电压:1.0V~4.0V(±2.0%)
控制方式:PFM控制
输出电流:200mA(TypeA/C);50mA(Type B/D)
消耗电流:0.5μA
效率:93%(VIN=3.6V,VOUT=3.0V/100μA)
功能:UVLO、短路保护、CL自动放电(XCL210C,XCL210D)
输出电容:陶瓷电容
工作温度范围:-40℃~+85℃
适应环保要求:与EU RoHS规格对应、无铅
应用场景:
适用于穿戴设备、智能电表、蓝牙单元、能量收集设备、备份电源电路、便携式游戏机、单锂电池供电设备等低功耗、空间受限的设备。
型号:
XCL210A101GR-G | XCL210D171GR-G | XCL210B291GR-G | XCL210A3H1GR-G | XCL210C2H1GR-G |
XCL210A111GR-G | XCL210D181GR-G | XCL210B301GR-G | XCL210A3K1GR-G | XCL210C2K1GR-G |
XCL210A121GR-G | XCL210D191GR-G | XCL210B311GR-G | XCL210A3L1GR-G | XCL210C2L1GR-G |
XCL210A131GR-G | XCL210D201GR-G | XCL210B321GR-G | XCL210A3M1GR-G | XCL210C2M1GR-G |
XCL210A141GR-G | XCL210D211GR-G | XCL210B331GR-G | XCL210B1A1GR-G | XCL210C3A1GR-G |
XCL210A151GR-G | XCL210D221GR-G | XCL210B341GR-G | XCL210B1B1GR-G | XCL210C3B1GR-G |
XCL210A161GR-G | XCL210D231GR-G | XCL210B351GR-G | XCL210B1C1GR-G | XCL210C3C1GR-G |
XCL210A171GR-G | XCL210D241GR-G | XCL210B361GR-G | XCL210B1D1GR-G | XCL210C3D1GR-G |
XCL210A181GR-G | XCL210D251GR-G | XCL210B371GR-G | XCL210B1E1GR-G | XCL210C3E1GR-G |
XCL210A191GR-G | XCL210D261GR-G | XCL210B381GR-G | XCL210B1F1GR-G | XCL210C3F1GR-G |
XCL210A201GR-G | XCL210D271GR-G | XCL210B391GR-G | XCL210B1H1GR-G | XCL210C3H1GR-G |
XCL210A211GR-G | XCL210D281GR-G | XCL210B401GR-G | XCL210B1K1GR-G | XCL210C3K1GR-G |
XCL210A221GR-G | XCL210D291GR-G | XCL210C101GR-G | XCL210B1L1GR-G | XCL210C3L1GR-G |
XCL210A231GR-G | XCL210D301GR-G | XCL210C111GR-G | XCL210B1M1GR-G | XCL210C3M1GR-G |
XCL210A241GR-G | XCL210D311GR-G | XCL210C121GR-G | XCL210B2A1GR-G | XCL210D1A1GR-G |
XCL210A251GR-G | XCL210D321GR-G | XCL210C131GR-G | XCL210B2B1GR-G | XCL210D1B1GR-G |
XCL210A261GR-G | XCL210D331GR-G | XCL210C141GR-G | XCL210B2C1GR-G | XCL210D1C1GR-G |
XCL210A271GR-G | XCL210D341GR-G | XCL210C151GR-G | XCL210B2D1GR-G | XCL210D1D1GR-G |
XCL210A281GR-G | XCL210D351GR-G | XCL210C161GR-G | XCL210B2E1GR-G | XCL210D1E1GR-G |
XCL210A291GR-G | XCL210D361GR-G | XCL210C171GR-G | XCL210B2F1GR-G | XCL210D1F1GR-G |
XCL210A301GR-G | XCL210D371GR-G | XCL210C181GR-G | XCL210B2H1GR-G | XCL210D1H1GR-G |
XCL210A311GR-G | XCL210D381GR-G | XCL210C191GR-G | XCL210B2K1GR-G | XCL210D1K1GR-G |
XCL210A321GR-G | XCL210D391GR-G | XCL210C201GR-G | XCL210B2L1GR-G | XCL210D1L1GR-G |
XCL210A331GR-G | XCL210D401GR-G | XCL210C211GR-G | XCL210B2M1GR-G | XCL210D1M1GR-G |
XCL210A341GR-G | XCL210A1A1GR-G | XCL210C221GR-G | XCL210B3A1GR-G | XCL210D2A1GR-G |
XCL210A351GR-G | XCL210A1B1GR-G | XCL210C231GR-G | XCL210B3B1GR-G | XCL210D2B1GR-G |
XCL210A361GR-G | XCL210A1C1GR-G | XCL210C241GR-G | XCL210B3C1GR-G | XCL210D2C1GR-G |
XCL210A371GR-G | XCL210A1D1GR-G | XCL210C251GR-G | XCL210B3D1GR-G | XCL210D2D1GR-G |
XCL210A381GR-G | XCL210A1E1GR-G | XCL210C261GR-G | XCL210B3E1GR-G | XCL210D2E1GR-G |
XCL210A391GR-G | XCL210A1F1GR-G | XCL210C271GR-G | XCL210B3F1GR-G | XCL210D2F1GR-G |
XCL210A401GR-G | XCL210A1H1GR-G | XCL210C281GR-G | XCL210B3H1GR-G | XCL210D2H1GR-G |
XCL210B101GR-G | XCL210A1K1GR-G | XCL210C291GR-G | XCL210B3K1GR-G | XCL210D2K1GR-G |
XCL210B111GR-G | XCL210A1L1GR-G | XCL210C301GR-G | XCL210B3L1GR-G | XCL210D2L1GR-G |
XCL210B121GR-G | XCL210A1M1GR-G | XCL210C311GR-G | XCL210B3M1GR-G | XCL210D2M1GR-G |
XCL210B131GR-G | XCL210A2A1GR-G | XCL210C321GR-G | XCL210C1A1GR-G | XCL210D3A1GR-G |
XCL210B141GR-G | XCL210A2B1GR-G | XCL210C331GR-G | XCL210C1B1GR-G | XCL210D3B1GR-G |
XCL210B151GR-G | XCL210A2C1GR-G | XCL210C341GR-G | XCL210C1C1GR-G | XCL210D3C1GR-G |
XCL210B161GR-G | XCL210A2D1GR-G | XCL210C351GR-G | XCL210C1D1GR-G | XCL210D3D1GR-G |
XCL210B171GR-G | XCL210A2E1GR-G | XCL210C361GR-G | XCL210C1E1GR-G | XCL210D3E1GR-G |
XCL210B181GR-G | XCL210A2F1GR-G | XCL210C371GR-G | XCL210C1F1GR-G | XCL210D3F1GR-G |
XCL210B191GR-G | XCL210A2H1GR-G | XCL210C381GR-G | XCL210C1H1GR-G | XCL210D3H1GR-G |
XCL210B201GR-G | XCL210A2K1GR-G | XCL210C391GR-G | XCL210C1K1GR-G | XCL210D3K1GR-G |
XCL210B211GR-G | XCL210A2L1GR-G | XCL210C401GR-G | XCL210C1L1GR-G | XCL210D3L1GR-G |
XCL210B221GR-G | XCL210A2M1GR-G | XCL210D101GR-G | XCL210C1M1GR-G | XCL210D3M1GR-G |
XCL210B231GR-G | XCL210A3A1GR-G | XCL210D111GR-G | XCL210C2A1GR-G | |
XCL210B241GR-G | XCL210A3B1GR-G | XCL210D121GR-G | XCL210C2B1GR-G | |
XCL210B251GR-G | XCL210A3C1GR-G | XCL210D131GR-G | XCL210C2C1GR-G | |
XCL210B261GR-G | XCL210A3D1GR-G | XCL210D141GR-G | XCL210C2D1GR-G | |
XCL210B271GR-G | XCL210A3E1GR-G | XCL210D151GR-G | XCL210C2E1GR-G | |
XCL210B281GR-G | XCL210A3F1GR-G | XCL210D161GR-G | XCL210C2F1GR-G |
Torex特瑞仕XCL系列PoL非隔离电源模块可用Cyntec电源模块进行替代,具体替代方案可咨询利来国国际网站创展。
推荐资讯
A15系列15W高压直流/直流转换器是美国电源设计公司推出的高性能产品,采用六面金属外壳设计,提供高精度、高可靠性的隔离输出,适用于9-36Vdc、20-60Vdc、36-72Vdc的宽输入电压范围,输出电压可达24-200Vdc,效率达87%,具有低纹波(<0.4%)和优异温度稳定性(±0.02%/°C),尺寸为25.4×50.8×10.41毫米,重量1.2盎司,采用镍镀金属外壳。
BQ79616是一款16节串联电池监测器,由TI设计,适用于高压电池管理系统,主要用于混合动力和电动汽车。其特点包括高精度电池电压测量(±1.5 mV)、快速测量能力(128 ?s内完成所有通道测量)、集成数字低通滤波器和红外通信功能、支持内部/外部电池均衡(最大240mA)、隔离系统通信(环形架构),以及支持UART/SPI主机接口。该器件主要应用于电池管理系统,封装为64引脚HTQFP,尺寸为10.00mm x 10.00mm。
在线留言